Applying Complex Numbers to Parallel AC Circuits

As with series circuits, parallel networks may be analyzed by using phasor diagrams. However, with parallel networks containing more than two branches, this can become very complicated. It is with parallel AC network analysis in particular that the full benefit of using complex numbers may be appreciated. The theory for parallel AC networks introduced previously is relevant; more advanced networks will be analyzed in this chapter using j notation. Before analyzing such networks admittance, conductance and susceptance are defined.

7.6.1 Admittance, Conductance and Susceptance

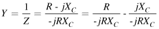
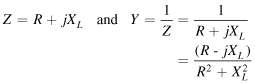
Admittance is defined as the current I flowing in an AC circuit divided by the supply voltage V (i.e., it is the reciprocal of impedance Z). The symbol for admittance is Y. Thus,

image

The unit of admittance is the siemen, S.

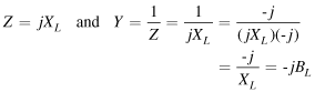
An impedance may be resolved into a real part R and an imaginary part X, giving Z=R±jX. Similarly, an admittance may be resolved into two parts—the real part being called the conductance G, and the imaginary part being called the susceptance B—and expressed in complex form. Thus, admittance,

image

When an AC circuit contains:

(a) pure resistance, then,

image

(b) pure inductance, then,

image

thus, a negative sign is associated with inductive susceptance, BL.

(c) pure capacitance, then,

image

thus, a positive sign is associated with capacitive susceptance, BC

(d) resistance and inductance in series, then,

image

i.e.,

image

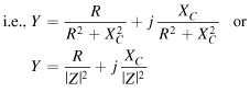
Thus, conductance, G=R/|Z|2 and inductive susceptance, BL=-XL/|Z|2

(Note that in an inductive circuit, the imaginary term of the impedance, XL, is positive, whereas the imaginary term of the admittance, BL, is negative.)

(e) resistance and capacitance in series, then,

image
image

Thus, conductance, G=R/|Z|2 and capacitive susceptance, BC=XC/|Z|2

(Note that in a capacitive circuit, the imaginary term of the impedance, XC, is negative, whereas the imaginary term of the admittance, BC, is positive.)

(a) resistance and inductance in parallel, then,

image

from which,

image

and,

image

i.e.,

image

or,

image

Thus, conductance, G=1/R and inductive susceptance, BL=–1/XL.

(b) resistance and capacitance in parallel, then,

image

and

image

i.e.,

image

or,

image

Thus, conductance, G =1/R and capacitive susceptance, BC =l/XC

The conclusions that may be drawn from sections (d) to (g) above are:

(i) that a series circuit is more easily represented by an impedance,

(ii) that a parallel circuit is often more easily represented by an admittance especially when more than two parallel impedances are involved.

Example 7.11

Determine the admittance, conductance and susceptance of the following impedances: (a) –j5 Ω (b) (25+j40) Ω (c) (3 –j2) Ω (d) 50∠40°Ω.

Solution

.

(a) If impedance Z=–j5 Ω, then,

image

Since there is no real part, conductanceG =0, and capacitive susceptanceBC =0.2 S.

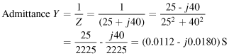
(b) If impedance Z=(25+j40) Ω then,

image

Thus, conductanceG =0.0112 S and inductive susceptanceBL=0.0180 S.

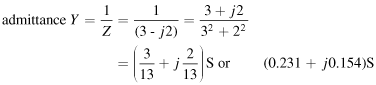
(c) If impedance Z=(3 –j2) Ω, then,

image

Thus, conductanceG =0.231 S and capacitive susceptanceBC =0.154 S

(d) If impedance Z=50∠40 Ω, then,

image

(0.0153 –j0.0129) S

Thus, conductance, G=0.0153 S and inductive susceptanceBL=0.0129 S.

Example 7.12

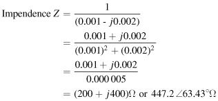
Determine expressions for the impedance of the following admittances: (a) 0.004∠30 S (b) (0.001 –j0.002) S (c) (0.05+j 0.08) S.

Solution

(a) Since admittance Y=1/Z, impedance Z=1/Y.

image

(b) 

image

(c) Admittance Y=(0.05+j0.08) S=0.094∠57.99 S

image
Example 7.13

The admittance of a circuit is (0.040+j0.025) S. Determine the values of the resistance and the capacitive reactance of the circuit if they are connected (a) in parallel, (b) in series. Draw the phasor diagram for each of the circuits.

Solution

(a) Parallel connection

Admittance Y=(0.040+j0.025) S, therefore conductance, G=0.040 S and capacitive susceptance, BC=0.025 S. From equation (7.1) when a circuit consists of resistance R and capacitive reactance in parallel, then Y=(1/R)+(j/XC).

Hence, resistance image

and capacitive reactance image

The circuit and phasor diagrams are shown in Figure 7.14.

(b) Series connection

image

Figure 7.14 (a) Circuit diagram; (b) Phasor diagram

Admittance Y=(0.040+j0.025) S, therefore,

image

Thus, the resistanceR=17.98 Ω and capacitive reactanceXC=11.24 Ω

The circuit and phasor diagrams are shown in Figure 7.15.

image

Figure 7.15 (a) Circuit diagram; (b) Phasor diagram

The circuits shown in Figs. 7.14(a) and 7.15(a) are equivalent in that they take the same supply current I for a given supply voltage V; the phase angle ϕ between the current and voltage is the same in each of the phasor diagrams shown in Figs. 7.14(b) and 7.15(b).

7.6.2 Parallel AC Networks

Figure 7.16 shows a circuit diagram containing three impedances, Z1Z2 and Z3 connected in parallel. The potential difference across each impedance is the same, i.e., the supply voltage V. Current I1=V/Z1I2=V/Z2 and I3=V/Z3. If ZT is the total equivalent impedance of the circuit then I=V/ZT. The supply current, I=I1+I2+I3 (phasorially).

image

Figure 7.16 Circuit with three impedances in parallel

Thus, image and,

image

or total admittance, YT=Y1+Y2+Y3

In general, for n impedances connected in parallel, image (phasorially)

It is in parallel circuit analysis that the use of admittance has its greatest advantage.

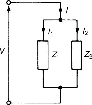
7.6.2.1 Current Division in AC Circuits

For the special case of two impedances, Z1 and Z2, connected in parallel (see Figure 7.17),

image
image

Figure 7.17 Two impedances connected in parallel

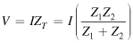
The total impedance, ZT =Z1Z2/(Z1+Z2) (i.e., product/sum).

From Figure 7.17,

supply voltage,

image

Also, V=I1Z1 (and V=I2Z2)

Thus,

image

i.e.,

image

Similarly,

image

Note that all of the above circuit symbols infer complex quantities either in Cartesian or polar form.

The following problems show how complex numbers are used to analyze parallel AC networks.

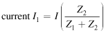
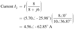
Example 7.14

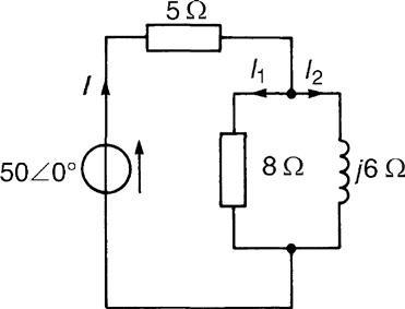
Determine the values of currents II1 and I2 shown in the network of Figure 7.18.

image

Figure 7.18 Network for Example 7.14

Solution

Total circuit impedance,

image
image
image
image
image
Example 7.15

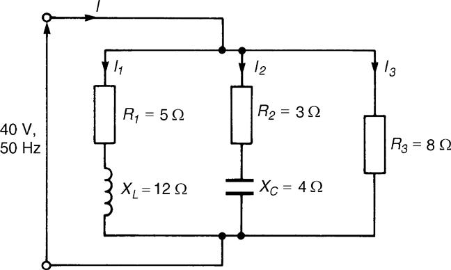
For the parallel network shown in Figure 7.19, determine the value of supply current I and its phase relative to the 40 V supply.

image

Figure 7.19 Parallel network for Example 7.15

Solution

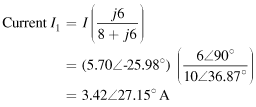
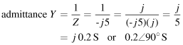
Impedance Z1=(5+j12) Ω, Z2=(3 –j4) Ω and Z3=8 Ω Supply current image where ZT=total circuit impedance, and YT=total circuit admittance.

image

i.e., YT=(0.2746+j0.0890) S or 0.2887∠17.96 S

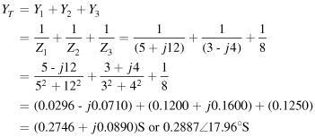
image
image

Hence, the currentIis 11.55A and is leading the 40 V supply by 17.96°.

Alternatively, current I=I1+I2+I3

image
image
image

Thus,image

image
Example 7.16

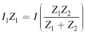
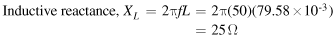
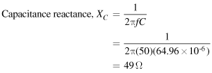
An AC network consists of a coil, of inductance 79.58 mH and resistance 18 Ω, in parallel with a capacitor of capacitance 64.96 μF. If the supply voltage is 250∠0 V at 50 Hz, determine (a) the total equivalent circuit impedance, (b) the supply current, (c) the circuit phase angle, (d) the current in the coil, and (e) the current in the capacitor.

Solution

The circuit diagram is shown in Figure 7.20.

image
image

Figure 7.20 Circuit diagram for Example 7.16

Hence, the impedance of the coil,

image
image

In complex form, the impedance presented by the capacitor ZC is –jXC, i.e., –j49 Ω or 49∠–90°Ω.

(a) Total equivalent circuit impedance,

image

(b)

image

(c) Circuit phase angle=17.38 lagging, i.e., the current I lags the voltage V by 17.38.

(d) image

(e) image


Comments

Leave a Reply

Your email address will not be published. Required fields are marked *